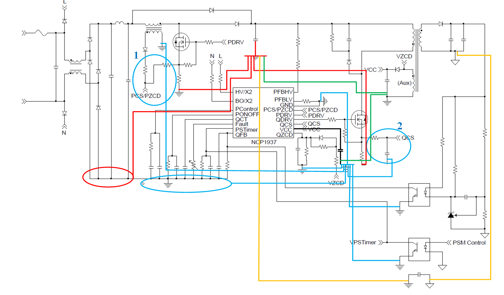
在65W~150W输出功率范围应用下,CrM PFC + QR Flyback 拓朴是非常普遍被选用的架构,在小型化集成线路驱势下,QR combo 控制芯片应运而生。另外对于消费型电子产品,不仅能效需要符合法规的要求,其待机损耗也是相当重要的评判指标。SO20封装不仅整合了PFC与QR控制器的功能,也整合了高压启动与X2 cap 放电机制, 当然IC也必须考量到绝缘空脚距离以致于有些脚位的功能是复合性的,就像HV/X2,BO/X2,PCS/PZCD...在这之中尤其是以小信号检测PCS/PZCD比较敏感,避免用户在应注意而未注意情况下进行不恰当的PCB布局设计,产生异常动作保护触发的现象,以下就为大家介绍NCP1937相关的应用经验与注意事项。 NCP1937集成了功率因数修正 (PFC) 和准谐振(QR)反激式控制器,旨在用于电源适配器并实现高能效、紧凑型开关电源,例如:PD快充、工业通信电源、电动工具快充等方案。这是一款采用混合数字内核架构的AC-DC器件,能够提供更高能效、增强灵活性及简化系统设计应用。该 PFC级以最大频率箝位在临界导通模式 (CrM) 下运行时表现出接近1的功率因子。 该电路结合了构建一个坚固紧凑的 PFC级所需的所有必要功能,同时最大限度地减少外部器件的数量。准谐振电流模式反激级具有专有的谷值锁定电路,确保稳定的谷值开关。该系统工作到第四个谷值并切换到一个频率折返模式,最小频率箝位超出第4阶谷以消除可听噪声。跳周期模式操作允许在轻负载条件下具有出色的效率,同时待机功耗非常低。 电流路径和接地点对噪声的影响 在任何电源转换器中,PCB布局和布线需要考虑尽量减少噪声的产生和确保稳定运转。作为组合IC,NCP1937控制两个可变开关频率转换器而且彼此独立运行。事实上,PFC部分栅极驱动器和QR部分栅极驱动器可以在任意点开启和关闭。因此有必要特别关注当前的电流路径和接地点,以避免噪声在两个转换器之间的相互作用。 在为NCP1937布置PCB之前,建议区别并注释各种接地点(如图1所示)。下面的表 1说明了不同电流路径的接地点,并表示为PGNDx。同时,为了区别模拟或信号接地点,将其表示为AGNDx。星形接地在业界众所周知,是很好的实践布局方式。图2是NCP1937的应用线路在初级侧星形接地配置的范例。 以下是针对初级侧电流路径的PCB布局以及接地点的说明: 1. 分别提供单独的路径给PFC和反激式转换器的开关电流。 从图1可知,PGND3 到PGND4 的电流路径(PFC电流路径)和 PGND4 到 PGND5 的电流路径(反激式转换器电流路径)是完全隔开,有各自的电流回路。 这将避免开关电流和栅极来自两个转换器的驱动电流重叠。 2. PGND6 和 PGND4 之间的路径可以改善的浪涌(surge)的耐受度。 建议使用单独的走线以及足够的线宽,将PGND6接回PGND4。 3. 建议PGND4 和PGND5 之间的接线尽可能越短越好。 4. PGND4 将是整个模拟信号地的星形连接中心点。 连接PGND4 和 AGND 1 之间应尽可能短且尽可能宽。 5. PGND1、PGND2、PGND3 之间可以是连续路径,即不需要隔离这些路径。 针对初级侧模拟信号的PCB布局以及接地点的说明: 1. AGND1 是 模拟信号接地端的星形中心点。AGND2和AGND3应在该点相交。 2. AGND3 來自 PFC 扼流圈辅助绕组,应单独连接至AGND1。 3. AGND2 应单独连接至AGND1。 图1:NCP1937的应用电路以及各种接地点的区别 表1:说明图1中的各个接地点 图2:NCP1937使用星形接地范例 用例:90W电源适配器应用电路的PCB布局 图3为安森美(onsemi)90W 电源适配器的展示板。接下来透过应用线路(图4)来进一步说明实践的PCB布局方式。 1. 摆放NCP1937時, IC 可靠近 PFC 电流感测电阻。 2. PFC 电流感测电阻尽可能靠近Bulk cap 的接地端。 3. 建议PCS/PZCD和QCS loop 可优先布线,路径尽可能愈短愈好。 任何高频驱动信号及高dv/dt信号, 禁止穿越或靠近PCS/PZCD和 QCS信号回传路径 4. PFC 功率电流必须单独回到Bulk cap GND. (红色power grounding) 5. Flyback 功率电流必须单独回到 Bulk cap GND,不可以经过PFC 功率电流路径才回到Bulk cap GND 6. PFC 扼流圈辅助绕组的接地端, 必须直接连接到VCC SMT 电容的接地端 7. VCC SMT 电容以及PCS/PZCD 滤波电容 必须靠近IC 的GND 8. 所有小信号grounding 必须都先连接到VCC SMT 电容。也就是VCC SMT 电容的接地端会呈现星形分散連接到所有的小信号grounding (蓝色grounding ) 9. QR Aux winding GND 必须先连接到VCC的 电解电容,再从电解电容分成两路各连接到VCC SMT 电容GND 及Bulk cap GND (绿色接地) 10. PCS/PZCD 的RC滤波必须靠近IC pin 脚(蓝圈1) 11.QCS 的RC滤波必须靠近IC pin 脚(蓝圈2) 12. QZCD high low line 补偿电阻靠近IC pin 脚 13. HV/X2 and HV/BO pin 可以预留落地高压滤波电容 (~ 470pF) 14. 一、二次侧的Y cap 应单独回路连接到Bulk cap GND 及 output cap GND。不可先汇入power loop 或是小信号grounding loop 图3:安森美90W电源适配器的展示板 图4:应用线路以及接地的布局方式 通过PCB布局优化ESD,避免误触发保护机制 另一方面为了通过ESD测试,会透过PCB布局的方式优化ESD能量的路径,避免误触发IC的保护机制。图5是优化前的接地方式,ESD能量会通过Y cap 到一次侧会经过独立Trace回到Bulk cap GND,但是另一个路径则会经过变压器绕组耦合到一次侧时,AUX绕组grounding若先连接到Current Senes 的power Trace 时,就会在CS信号受到ESD injection 能量产生distortion造成误触发OCP保护机制。 然而ESD表现较好的布局,如图6,可以看到不仅Y cap 到一次侧会经过独立Trace回到Bulk cap GND,而另一个路径则会经过变压器绕组耦合到一次侧时,AUX绕组grounding则会先连接到Bulk cap GND,不会让CS信号受到ESD injection 能量产生distortion而造成误触发OCP保护机制。 简言之,针对Combo IC控制器来操作两个电源转换器,PCB布局是电源转换器可发挥高效能以及稳定操作的关键因素。遵循上述的接地建议,将有效减少一个转换器的噪声耦合其他转换器的敏感控制讯号。 图5:优化前,辅助电源绕组的GND连接到PFC电流感测电阻的负端 图6:优化后,辅助电源绕组的GND连接到PFC bulk电容的负端 |





