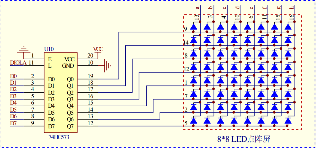
对于一个从事电子行业工作的朋友来讲,如何快速的成长、入门是一个很头疼的事情,因为很多基础的理论,比较乏味,太过专业的知识,看起来,很是让人伤透脑筋,今天就给大家分享一些,长期积累下来的电路图,供大家学习、收藏。 EEPROM LCD1602电路 数码管 max485 红外开关 蜂鸣器 译码器 移位寄存器 步进电机控制 复位电路 下载电路 电源模块 温度模块 红外 热敏电阻 交通灯 时钟 555 彩屏 矩阵 按键 单片机 烧录电路 数码管 红外发射 显示模块 红外接收 蜂鸣器驱动 流水灯 usb供电 单片机 矩阵 单片机电路 时钟 ADC 接口电路 单片机 电源 声音模块 收音机 485 蓝牙 光耦 can 光敏电阻 |





