欢迎光临专业集成电路测试网~~欢迎加入IC测试QQ群:111938408

专业IC测试网

当前位置: 网站主页 > 相关技术 >

44种实用电路图,掌握了,就能融会贯通,一通百(3)

时间:2023-03-06 10:57来源:硬件攻城狮 作者:ictest8_deit 点击:

 
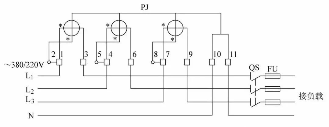
14.三相有功电能表直入式接线图
 
 
15.信号发生器电路原理图
 
 
16.C620型车床电气控制电路
 
 
17.M7120型平面磨床控制电路
 
 
18.Z35型摇臂钻床控制电路
 
 
19.X62W型万能铣床控制电路
 
 
20.T68型卧式镗床控制电路
 
 
21.电力传输过程示意图
 
 
22.企业变配电一次电路图
 
 
23.低压二次接线原理图(BSL型低压配电屏接线原理图)
 
 
顶一下
(0)
0%
踩一下
(0)
0%
------分隔线----------------------------
发表评论
请自觉遵守互联网相关的政策法规,严禁发布色情、暴力、反动的言论。
评价:
用户名: 验证码: 点击我更换图片