|
图中精密全波整流电路的名称只是为了区分;除非特殊说明,增益均按1设计.
图1是最经典的电路,优点是可以在电阻R5上并联滤波电容.电阻匹配关系为R1=R2,R4=R5=2R3;可以通过更改R5来调节增益。
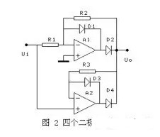
图2优点是匹配电阻少,只要求R1=R2
图3的优点是输入高阻抗,匹配电阻要求R1=R2,R4=2R3
图4的匹配电阻全部相等,还可以通过改变电阻R1来改变增益.缺点是在输入信号的负半周,A1的负反馈由两路构成,其中一路是R5,另一路是由运放A2复合构成,也有复合运放的缺点。
图5 和 图6 要求R1=2R2=2R3,增益为1/2,缺点是:当输入信号正半周时,输出阻抗比较高,可以在输出增加增益为2的同相放大器隔离.另外一个缺点是正半周和负半周的输入阻抗不相等,要求输入信号的内阻忽略不计。
图7正半周,D2通,增益=1+(R2+R3)/R1;负半周增益=-R3/R2;要求正负半周增益的绝对值相等,例如增益取2,可以选R1=30K,R2=10K,R3=20K
图8的电阻匹配关系为R1=R2
图9要求R1=R2,R4可以用来调节增益,增益等于1+R4/R2;如果R4=0,增益等于1;缺点是正负半波的输入阻抗不相等,要求输入信号的内阻要小,否则输出波形不对称。
图10是利用单电源运放的跟随器的特性设计的,单电源的跟随器,当输入信号大于0时,输出为跟随器;当输入信号小于0的时候,输出为0.使用时要小心单电源运放在信号很小时的非线性.而且,单电源跟随器在负信号输入时也有非线性。 图7,8,9三种电路,当运放A1输出为正时,A1的负反馈是通过二极管D2和运放A2构成的复合放大器构成的,由于两个运放的复合(乘积)作用,可能环路的增益太高,容易产生振荡。 精密全波电路还有一些没有录入,比如高阻抗型还有一种把A2的同相输入端接到A1的反相输入端的,其实和这个高阻抗型的原理一样,就没有专门收录,其它采用A1的输出只接一个二极管的也没有收录,因为在这个二极管截止时,A1处于开环状态。 结论 虽然这里的精密全波电路达十种,仔细分析,发现优秀的并不多,确切的说只有3种,就是前面的3种。 图1的经典电路虽然匹配电阻多,但是完全可以用6个等值电阻R实现,其中电阻R3可以用两个R并联.可以通过R5调节增益,增益可以大于1,也可以小于1.最具有优势的是可以在R5上并电容滤波。 图2的电路的优势是匹配电阻少,只要一对匹配电阻就可以了。 图3的优势在于高输入阻抗。 其它几种,有的在D2导通的半周内,通过A2的复合实现A1的负反馈,对有些运放会出现自激. 有的两个半波的输入阻抗不相等,对信号源要求较高。 两个单运放型虽然可以实现整流的目的,但是输入\输出特性都很差.需要输入\输出都加跟随器或同相放大器隔离。 各个电路都有其设计特色,希望我们能从其电路的巧妙设计中,吸取有用的.例如单电源全波电路的设计,复合反馈电路的设计,都是很有用的设计思想和方法,如果能把各个图的电路原理分析并且推导每个公式,会有受益的。 |















